PRODUKT

Wiederholgenauigkeit: ±0,01 mm
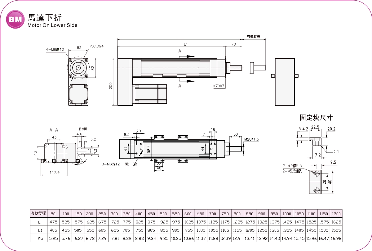
Horizontale Belastung: 200 kg
Vertikale Last: 65 kg
Höchstgeschwindigkeit: 1250 mm/s
Verstellbereich: 50–1200 mm
Stellen Sie die Beschleunigungs- und Verzögerungszeit des Motors auf 0,2 Sekunden ein.
Die Standardvorgaben gelten nicht für den Einsatz von umgekehrten Kranen. Sollten Sie spezielle Anforderungen haben, kontaktieren Sie uns bitte telefonisch oder hinterlassen Sie eine Nachricht online.
Lieferzeit: 7-10 Tage




| Spezifikation | Wiederholgenauigkeit (mm) | ±0,01 | |||
| Leitungslänge (mm) | 5 | 10 | 25 | ||
| Höchstgeschwindigkeit (mm/s) | 250 | 500 | 1250 | ||
| Maximale Nutzlast | Horizontal (kg) | 200 | 180 | 138 | |
| Vertikal (kg) | 65 | 55 | 25 | ||
| Nennschub (N) | 2520 | 1260 | 504 | ||
| Hubteilung (mm) | 50-1200 mm / 50 mm Steigung | ||||
| AC-Servomotor-Ausgangsleistung (W) | 750 W | ||||
| Teile | Kugelgewindetrieb Ø (mm) | C7Ø25 | |||
| Kopplung (mm) | 17x19 | ||||
| Heimsensor | Draußen | CS-6T | |||


| Verwendungsort | Fahrmodus | Modellspezifikation | Motorausgang (W) | Breite (mm) | Wiederholgenauigkeit (mm) | Kugelgewindetrieb-Spezifikation | Maximale Nutzlast (kg) | Höchstgeschwindigkeit (mm/s) *1 | ||
|---|---|---|---|---|---|---|---|---|---|---|
| Außendurchmesser (mm) | Leitungslänge (mm) | Horizontal | Vertikal | |||||||
| Standardumgebung | Kugelgewindetrieb | EG 50 | 100 W | 52 | ±0,01 | 12 | 5 | 30 | 12 | 250 |
| 10 | 15 | 5 | 500 | |||||||
| EC 50L | 100 W | 52 | ±0,01 | 12 | 5 | 50 | 15 | 250 | ||
| 10 | 30 | 8 | 500 | |||||||
| EC 50T | 100 W | 52 | ±0,01 | 12 | 5 | 50 | 15 | 250 | ||
| 10 | 30 | 8 | 500 | |||||||
| EG 65 | 400 W | 65 | ±0,01 | 16 | 5 | 110 | 33 | 250 | ||
| 10 | 88 | 22 | 500 | |||||||
| 16 | 48 | 10 | 800 | |||||||
| 20 | 40 | 8 | 100 | |||||||
| EC 65L | 400 W | 65 | ±0,01 | 16 | 5 | 110 | 33 | 250 | ||
| 10 | 88 | 22 | 500 | |||||||
| 16 | 48 | 10 | 800 | |||||||
| 20 | 40 | 8 | 100 | |||||||
| EC 65T | 400 W | 65 | ±0,01 | 16 | 5 | 110 | 33 | 250 | ||
| 10 | 88 | 22 | 500 | |||||||
| 16 | 48 | 10 | 800 | |||||||
| 20 | 40 | 8 | 100 | |||||||
| EG 80 | 700 W | 80 | ±0,01 | 25 | 5 | 200 | 65 | 250 | ||
| 10 | 180 | 55 | 500 | |||||||
| 25 | 138 | 25 | 1000 | |||||||
| EC 80T | 700 W | 80 | ±0,01 | 25 | 5 | 200 | 65 | 250 | ||
| 10 | 180 | 55 | 500 | |||||||
| 25 | 138 | 25 | 1000 | |||||||






