
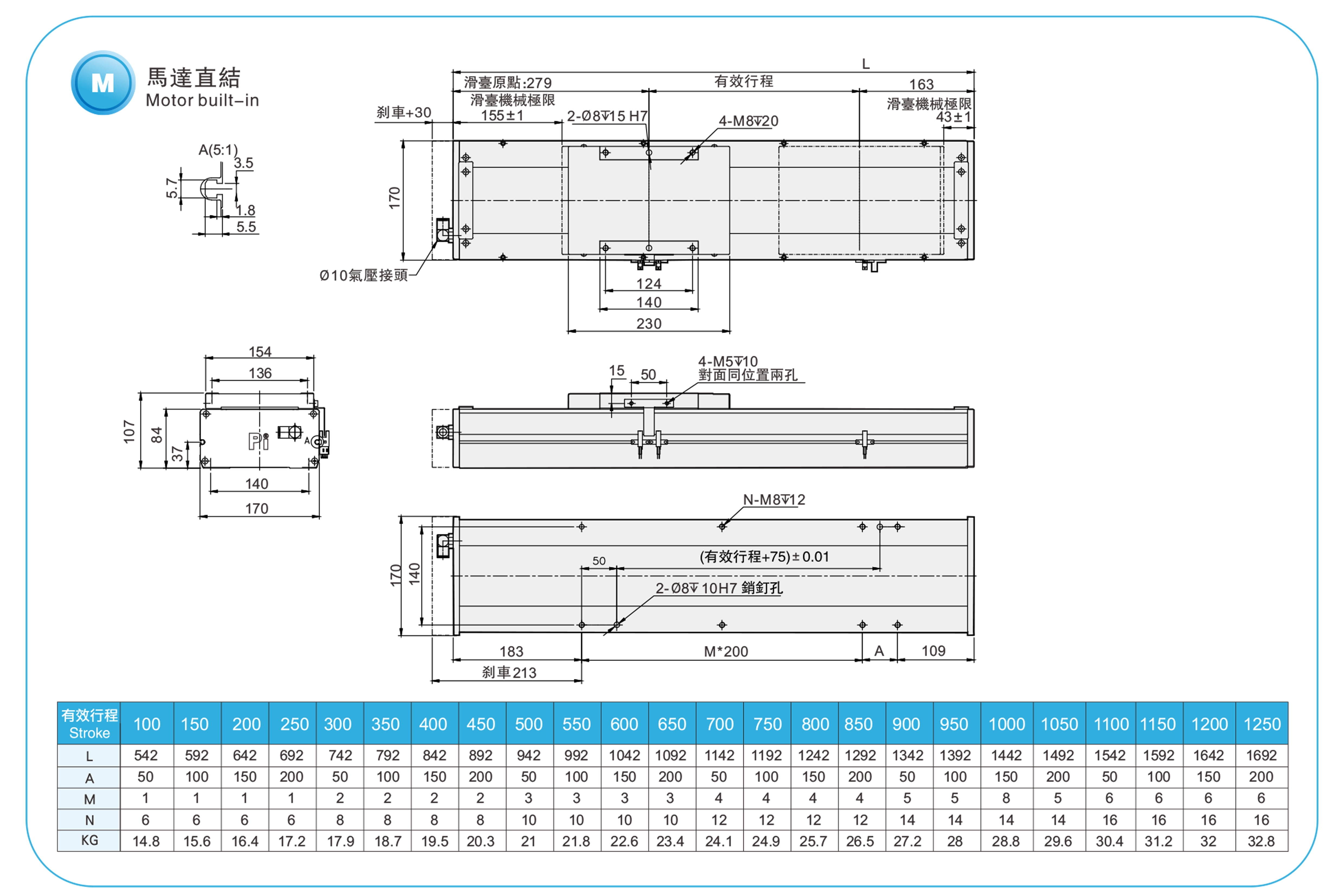
Wiederholgenauigkeit: ±0,01 mm
Horizontale Belastung: 120 kg
Vertikale Last: 50 kg
Höchstgeschwindigkeit: 2000 mm/s
Hubteilung: 100-1250 mm
Stellen Sie die Beschleunigungs- und Verzögerungszeit des Motors auf 0,2 Sekunden ein.
Die Standardvorgaben gelten nicht für den Einsatz von umgekehrten Kranen. Sollten Sie spezielle Anforderungen haben, kontaktieren Sie uns bitte telefonisch oder hinterlassen Sie eine Nachricht online.
Lieferzeit: 7-10 Tage






| Spezifikation | Wiederholgenauigkeit (mm) | ±0,01 | ||||
| Kugelgewindesteigung (mm) | 5 | 10 | 20 | 40 | ||
| Höchstgeschwindigkeit (mm/s) | 250 | 500 | 1000 | 2000 | ||
| Maximale Nutzlast | Horizontal (kg) | 120 | 110 | 75 | 22 | |
| Vertikal (kg) | 40 | 30 | 14 | 7 | ||
| Nennschub (N) | 1388 | 694 | 347 | 174 | ||
| Hubteilung (mm) | 100–1250 mm / 50 mm Steigung | |||||
| Teile | Leistung des AC-Servomotors (W) | 400 W | ||||
| Kugelgewindetrieb Ø (mm) | C7Ø20 | |||||
| Hochsteife Linearführung (mm) | B20XH15 | |||||
| Kopplung (mm) | 12x14 | |||||
| Heimsensor | Draußen | EE-SX672(NPN) | ||||
| Eingebaut | EE-SX674(NPN) | |||||


| Horizontale Installation | A | B | C | |
| Lead5 | 70 kg | 3235 | 349 | 408 |
| 90 kg | 2482 | 263 | 306 | |
| 120 kg | 1850 | 187 | 217 | |
| Lead10 | 65 kg | 1911 | 338 | 373 |
| 85 kg | 1445 | 248 | 276 | |
| 110 kg | 1102 | 182 | 202 | |
| Lead20 | 35 kg | 1666 | 547 | 538 |
| 55 kg | 1030 | 331 | 328 | |
| 75 kg | 733 | 231 | 230 | |
| Lead40 | 15 kg | 1126 | 740 | 577 |
| 22 kg | 755 | 490 | 384 | |
| - | - | - | - | |

| Wandmontage | A | B | C | |
| Lead5 | 75 kg | 377 | 322 | 2988 |
| 95 kg | 288 | 246 | 2333 | |
| 120 kg | 218 | 187 | 1850 | |
| Lead10 | 60 kg | 408 | 368 | 2092 |
| 80 kg | 296 | 266 | 1554 | |
| 110 kg | 202 | 182 | 1102 | |
| Lead20 | 30 kg | 633 | 644 | 1961 |
| 50 kg | 365 | 369 | 1143 | |
| 75 kg | 230 | 231 | 733 | |
| Lead40 | 12 kg | 729 | 936 | 1417 |
| 22 kg | 384 | 491 | 755 | |
| - | - | - | - | |

| Vertikale Installation | A | C | |
| Lead5 | 20 kg | 1368 | 1368 |
| 30 kg | 911 | 911 | |
| 40 kg | 683 | 683 | |
| Lead10 | 15 kg | 1618 | 618 |
| 25 kg | 970 | 970 | |
| 30 kg | 808 | 808 | |
| Lead20 | 10 kg | 1922 | 1922 |
| 14 kg | 1377 | 1377 | |
| - | - | - | |
| Lead40 | 4 kg | 2377 | 2377 |
| 7 kg | 1356 | 1356 | |
| - | - | - | |

| MEIN | 1032 |
| Abgeordneter | 1034 |
| HERR | 908 |
| Verwendungsort | Fahrmodus | Modellspezifikation | Motorleistung (w) | Breite (mm) | Wiederholbarkeit (mm) | Kugelgewindetrieb-Spezifikation | Maximale Nutzlast (kg) | Höchstgeschwindigkeit (mm/s) *1 | ||
|---|---|---|---|---|---|---|---|---|---|---|
| Außendurchmesser (mm) | Leitungslänge (mm) | Horizontal | Vertikal | |||||||
| Standardumgebung | Kugelgewindetrieb | RMD12 | 100 W | 102 | ±0,01 | 16 | 5 | 50 | 12 | 250 |
| 10 | 30 | 8 | 500 | |||||||
| 20 | 18 | 3 | 1000 | |||||||
| 32 | 5 | - | 1600 | |||||||
| 200 W | 102 | ±0,01 | 16 | 5 | 50 | 12 | 250 | |||
| 10 | 30 | 8 | 500 | |||||||
| 20 | 18 | 3 | 1000 | |||||||
| 32 | 5 | - | 1600 | |||||||
| RMD14 | 200 W | 135 | ±0,01 | 16 | 5 | 95 | 27 | 250 | ||
| 10 | 75 | 18 | 500 | |||||||
| 20 | 35 | 7 | 1000 | |||||||
| 32 | 15 | - | 1600 | |||||||
| 400 W | 135 | ±0,01 | 16 | 5 | 110 | 33 | 250 | |||
| 10 | 88 | 22 | 500 | |||||||
| 20 | 40 | 10 | 1000 | |||||||
| 32 | 30 | 8 | 1600 | |||||||
| RMD17 | 400 W | 170 | ±0,01 | 20 | 5 | 120 | 40 | 250 | ||
| 10 | 110 | 30 | 500 | |||||||
| 20 | 75 | 14 | 1000 | |||||||
| 40 | 22 | 7 | 2000 | |||||||
| 750 W | 170 | ±0,01 | 20 | 5 | 120 | 50 | 250 | |||
| 10 | 120 | 40 | 500 | |||||||
| 20 | 83 | 25 | 1000 | |||||||
| 40 | 43 | 12 | 2000 | |||||||
| RMD22 | 750 W | 220 | ±0,01 | 25 | 5 | 150 | 55 | 250 | ||
| 10 | 150 | 45 | 500 | |||||||
| 25 | 105 | 20 | 1250 | |||||||
| 20 | 40 | 43 | 12 | 2000 | ||||||
| RMD28 | 1500 W | 280 | ±0,01 | 32 | 10 | 320 | 150 | 500 | ||
| 20 | 180 | 75 | 1000 | |||||||
| 32 | 75 | 35 | 1600 | |||||||
Die Höchstgeschwindigkeit basiert auf der maximalen Drehzahl des Servomotors (3000 U/min). Die Höchstgeschwindigkeit basiert auf der maximalen Drehzahl des Schrittmotors (500 U/min).






